Down-to-Earth Theory: The 6-Pulse Inverter
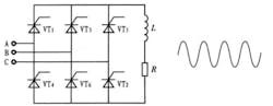
Let’s take last month’s theory column and go to the next step, the 6-pulse inverter. It is called a 6-pulse design because it draws current in six distinct pulses from the AC system. It uses six rectifier devices to form a three-phase full wave bridge.
This is the procedure for changing DC voltage into AC voltage in a converter station. Like the previous theory column, we are only interested in the sine-wave. The device can produce output voltage and frequencies are controlled by the inversion process. Typically, the output voltage is connected to a transformer matching system it is feeding power into.
This month’s Transpower New Zealand explains how process takes place and builds on the previous material.

